2025-12-30
5256GD 无线通信终端综合测试仪作为全新一代终端综测仪,是一款集Wi-Fi、蓝牙与星闪等多模一体化的综合测试仪表。信号分析带宽和频率范围完全覆盖多场景测试需求,可为用户提供全套模组测试解决方案,通过自动化、集成化和平台化的方式,重塑无线设备的开发与验证流程。
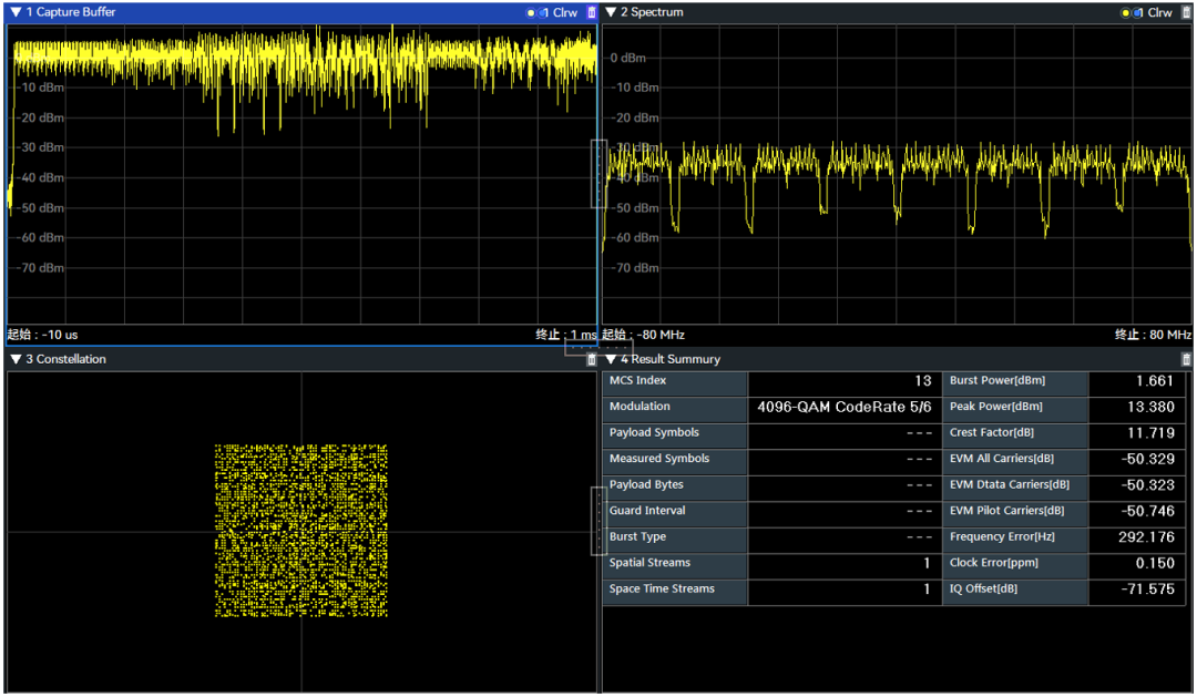
5256GD 无线通信终端综合测试仪 Wi-Fi7自动化测试解决方案 5256GD无线通信终端综合测试仪配套的自动化软件平台,具备模块化架构可灵活适配各类Wi-Fi终端测试场景,其内置的智能判障模块能自动诊断异常并动态调整测试策略。系统支持全流程数据管理,可按需生成定制化报告并构建可追溯的测试数据库,实现从研发验证到量产管控的质量闭环,助力客户提升测试效率与产品可靠性。 极致精度:Wi-Fi7综测仪以超低残余EVM树立性能标杆 在大带宽、高阶调制下的Wi-Fi7,对设备的要求进一步提高,5256GD无线通信终端综合测试仪具有优异的残余EVM指标,为Wi-Fi7测试留出了充足的“精度余量”,仪器引入的误差微乎其微,能够真实、可靠地反映出被测设备的性能, 为Wi-Fi7的320MHz带宽和4096QAM调制提供了精准可靠的测试保障。 一机多能: Wi-Fi7、5G、卫星通信融合测试平台 5256GD 无线通信终端综合测试仪的设计理念从底层就考虑了多制式扩展能力,通过模块化射频前端和软件定义测试引擎,实现了对多种通信制式的兼容。这种扩展能力不仅解决了当下的多制式测试挑战,更为未来通信技术的融合测试搭建了可持续演进的平台。




在线商城
联系
青岛总部
地址
山东省青岛市黄岛区香江路98号
400 热线电话
微信
TOP